555定時器電路圖大全 <<版權聲明:本站內容部分來源于網絡,如侵犯到你的權利請及時與我們聯系更正,聯系QQ:316520686。》
下面為大家收藏了常用而且性能穩定的定時器電路圖:
<<版權聲明:本站內容部分來源于網絡,如侵犯到你的權利請及時與我們聯系更正,聯系QQ:316520686。》
溫馨提示:將鼠標指針放在圖片上,滾動鼠標可以動態改變圖片大小,方便分析電路圖。
<<版權聲明:本站內容部分來源于網絡,如侵犯到你的權利請及時與我們聯系更正,聯系QQ:316520686。》
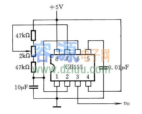
第二種:
555觸摸定時開關電路圖
集成電路IC1是一片555定時電路,在這里接成單穩態電路。平時
觸摸片P端無感應電壓,電容C1通過555第7腳放電完畢,第3腳輸出為低電平,繼電器KS釋放,電燈不亮。
當
開燈時,用手觸碰一下金屬片P,人體感應的雜波信號電壓由C2加至555的觸發端,使555的輸出由低變成高電平,繼電器KS吸合,電燈點亮。
,555第7腳內部截止,電源便通過R1給C1充電,這
定時的開始。
當電容C1上電壓上升至電源電壓的2/3時,555第7腳道通使C1放電,使第3腳輸出由高電平變回到低電平,繼電器釋放,電燈熄滅,定時結束。
定時長短由R1、C1決定:T1=1.1R1*C1。按圖中所標數值,定時時間約為4分鐘。D1可選用1N4148
第三種:

第四類:

本文地址:http://m.jssjbk.com/dz/21/371521525.shtml
本文標簽:
猜你感興趣:
PW1555應用電路-代理商
PW1555是一個可編程的限流開關,具有輸入電壓范圍選擇和輸出電壓鉗位。集成保護N溝FET的極低RDS(ON)有助于減少正常運行時的功率損耗。可編程軟啟動時間控制轉換率,在啟動
關鍵詞: 所屬欄目:元器件知識
使用555制作全自動電冰箱保護器電路
使用555制作全自動電冰箱保護器電路
當交流電網電壓超過正常值240V時,RP1取樣電壓增高,VD10擊穿,VT導通,其集電極輸出低電平,VD7導通,使IC的觸發端2腳處于低電平
關鍵詞: 所屬欄目:其他文章
NE555制作過壓過流保護電路及原理圖
NE555制作過壓過流保護電路及原理圖 當電源供給電壓或負載吸取的電流太大時,下圖電路可斷開負載給出故障指示。正常工作時,Tr1和Tr2均截至,555復位,555中的放電晶體管
關鍵詞:過壓保護電路過流保護電路 所屬欄目:電子基礎
555逆變驅動電路圖-最簡單12v轉220v逆變器制作
555逆變驅動電路圖-最簡單12v轉220v逆變器制作
關鍵詞: 所屬欄目:逆變器電路圖
ne555+13005逆變電路圖
ne555+13005逆變電路圖
逆變器電路圖有很多種,采用不同的控制方式可以得到不同的電路及輸出功率及頻率,本文介紹的是用13005逆變電路圖,13005主要作用是功率開關管,1
關鍵詞: 所屬欄目:電源電路
LM393與NE555組成電池充電器電路
LM393與NE555組成電池充電器電路具有成本效益的鎳鎘電池充電器LM393的構造如圖所示,它具有以下特點:(1)恒定電流充電散布著大電流di放電時,恒流充電電流約為300mA,放電
關鍵詞: 所屬欄目:電源電路
555集成電路引腳圖管腳圖
555集成定時器是模擬功能和數字邏輯功能相結合的一種雙極型中規模集成器件。外加電阻、電容可以組成性能穩定而精確的多諧振蕩器、單穩電路、施密特觸發器等,應用十分廣泛。555集成電路引腳圖管腳圖 :
關鍵詞: 所屬欄目:音頻功放電路
555制作汽車音響揚聲器保護電路原理圖
揚聲器保護電路如圖1所示。主要由中點電位檢測電路、延時電路及繼電器等組成。電路工作過程是: 在接通音響電源的瞬間,因電容C3兩端電壓不能突變,可視為短路,則時基電路555的②、⑥腳電位高于2/3 Vcc,故
關鍵詞: 所屬欄目:音頻功放電路
NE555與TDA1521共同組成的D類數字功放電路
NE555時基IC被接成振蕩頻率120KHz、占空比50%的方波振蕩器。由于IC都是工作于開關狀態,因而可以高效率地輸出大功率。音頻信號由5腳輸入時,3腳的輸出信號占空比就會隨著輸入音頻信號的幅值高低而作線性
關鍵詞: 所屬欄目:音頻功放電路
無所不能的555定時器到底有哪些應用(圖文)
555定時器是美國Signetics公司1972年研制的用于取代機械式定時器的中規模集成電路,因輸入端設計有三個5kΩ的電阻而得名。此電路后來竟風靡世界。目前,流行的產品主要
關鍵詞:555定時器 所屬欄目:集成塊資料
傳感器激活繼電器脈沖
一個傳感器打開Q1來激活低頻555振蕩器,這會脈沖電燈I1。傳感器對于改變光線或者溫度是很敏感的。 :
關鍵詞: 所屬欄目:傳感器技術
555定時器內部框圖及電路工作原理
555定時器內部框圖
555集成時基電路稱為集成定時器,是一種數字、模擬混合型的中規模集成電路,其應用十分廣泛。該電路使用靈活、方便,只需外接少量的阻容元件就可以構成
關鍵詞:555定時器 所屬欄目:電子基礎
基于555定時器的溫度傳感器控溫電路
555定時器是一種模擬和數字功能相結合的中規模集成器件。一般用雙極性工藝制作的稱為555,用CMOS工藝制作的稱為7555,除單定時器外,還有對應的雙定時器556/7556。555定時器的電源電壓范
關鍵詞: 所屬欄目:傳感器技術
由555組成的感光式振蕩電路
由555組成的感光式振蕩電路 如圖為由555組成的感光式振蕩電路。該電路用于探測閃電,可供盲人用作光雷達和報曉器等。555定時器的振蕩頻率隨光強度的增加而成正比例增加。當它工作在自由振
關鍵詞:555定時器 所屬欄目:傳感器技術
555無變壓器的正至負電路
當同時產生2兆赫的信號,負輸出電壓線性追蹤直流輸入電壓的時候,該電路用于從正極電源電壓得出負極電源電壓,但是幅度是大約低于3V。電流不提供調節。—“賽格尼模擬數據手冊” 賽格尼公
關鍵詞: 所屬欄目:電路圖
溫度傳感器的電路圖(555)
在對溫度有要求的場合,都必須用到溫度控制器,而溫度控制器的核心器件就是溫度傳感器,在加上一些控制電路就可以實現溫度控制。本文 介紹一款簡單的溫度傳感器的電路圖。主
關鍵詞: 所屬欄目:傳感器技術
應用NE555制作“一摸亮”臺燈電路
這是一種人體感應燈,人手觸摸臺燈金屬部分時燈亮,而且一直亮下去,因此又叫“一摸亮”臺燈。當想關掉燈時,再一次觸摸臺燈金屬部分即可關掉,非常方便。 人體所發出的電信號頻率范
關鍵詞: 所屬欄目:led
電子電路DIY——用NE555芯片制作的蓄電池充滿自停電路
本文介紹一款采用NE555芯片制作的蓄電池充滿自停電路,其電路簡單,不需復雜的調試。該電路帶有充電指示燈,在給蓄電池充電時,LED指示蓄電池處于充電狀態,當蓄電池充滿電時,LED指示燈
關鍵詞:555定時器 所屬欄目:電子制作
應用ne555制作音頻連續性測試儀
這種低電流音頻連續性測試儀通過音頻信號來指示未知電阻的數值。高聲調表示低電阻,每秒幾個脈沖聲調表示電阻高達30兆歐。 :
關鍵詞: 所屬欄目:音頻功放電路
555構成單端雙穩態電路圖
基于555做成的單端雙穩態電路,電路結構簡單,制作方便。
關鍵詞: 所屬欄目:音頻功放電路