


非常感謝用戶sunyuankj123 的投稿!
本文地址:http://m.jssjbk.com/ic/16237373964310.shtml
本文標簽:
猜你感興趣:
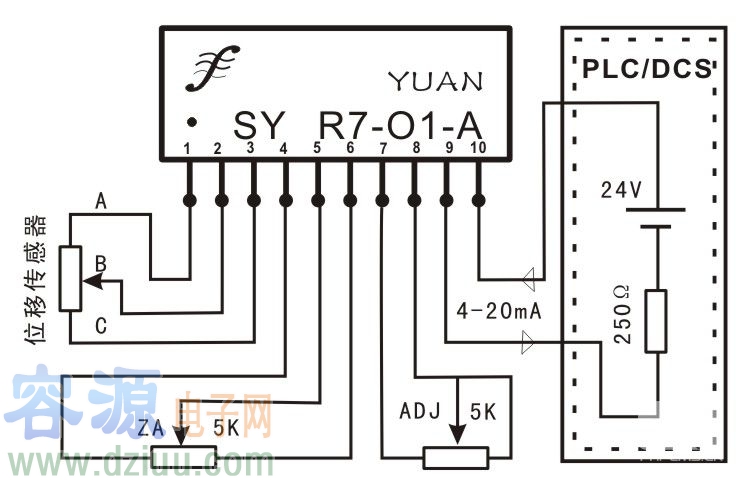
無源型模擬信號隔離變送器現場選配方案
無源,在電子方面指電路中無需加電源即可在有信號時工作,通常將無需電源就可以工作的器件稱為無源器件,電路中常用的無源元件主要是二極管、電阻類、電感類和電容類等元件。電路中需要外接輔助電源才能正常工作的器件叫有源器件,有源器件一般用來將信號隔離放大、轉換變送等。常用的有源器件有三極管、功率放大器、信號變送器、隔離放大器、場效應管、晶閘管等器件。順源科技根據當前工業互聯網對工業現場的各種傳感器、變送器與PLC、DCS系統的匹配需要,推出一系列低成本、小體積無源型(無需外接輔助電源)模擬信號隔離變送器方案,提供給
關鍵詞: 所屬欄目:集成塊資料
X型硅壓力傳感器的變送器電路圖
如圖所示為X型硅壓力傳感器變送器電路圖,本電路采用X型硅壓力傳感器系列中的PMX7100高阻抗單片濕度補償與校準硅壓傳感器作測壓單元,用XTR01精密兩線制變送器電路作電壓/電流變換單元。
關鍵詞: 所屬欄目:傳感器技術
熱電偶溫度變送器電路圖
熱電偶溫度變送器電路圖如圖所示。溫度變送器是一種將溫度變量轉換為可傳送的標準化輸出信號的儀表。主要用于工業過程溫度參數的測量和控制。 熱電偶具有能彎曲、耐高壓、熱響應時間
關鍵詞: 所屬欄目:傳感器技術
什么是隔離放大器及其作用介紹(圖文)
什么是隔離放大器 首先,我們來定義一下什么是隔離放大器。隔離放大器是一種使用高電磁抗擾隔離層將輸出和輸入電路隔離開的特殊功能放大器。這種干擾也稱為EMI,是由外部
關鍵詞: 所屬欄目:電磁兼容
談談變送器的作用及特點
無
關鍵詞: 所屬欄目:電子基礎